Цена:
13300 рублей
Артикул 00030100
| Производитель | INPRIME |
| Напряжение | 1~198-253 В, 50/60Гц±2% |
Преобразователи частоты серии SDI– это одни из самых компактных и простых устройств в управлении электродвигателями в линейке преобразователей частоты INSTART.
Надежные преобразователи частоты мощностью от 0,4 до 4 кВт представляют собой простое и экономически эффективное решение для управления электродвигателем.
- Компактные размеры
- Векторное управление
- Гарантия 3 года
- Векторное управление
- Управление через входы/выходы, коммуникационный протокол или с панели управления
- Два режима ПИД-регулирования
- Встроенный тормозной модуль
- Программирование параметров
- Выбор до 16 скоростей с возможностью применения четырех алгоритмов разгона/торможения
- Работа от датчика по аналоговому входу 0/4-20 мА (0-10 В)
- Встроенный протокол MODBUS RTU (RS 485)
- IGBT модуль (кроме модели SDI–G4.0-4B)
- Защита электродвигателя от перегрузок, короткого замыкания и других неблагоприятных факторов
- Монтажный комплект (1,5 метра) входит в комплект базовой поставки
Компактный векторный преобразователь частоты по цене скалярного
Система обозначения

1. Серия
2. Режим G – общепромышленный*
3. Мощность электродвигателя (кВт) для общепромышленного режима (G)
4. Режим P – насосный**
5. Мощность электродвигателя (кВт) для насосного режима (P)
6. Номинальное напряжение:
2: 1~230 (220) В, 50/60Гц
4: 3~400 (380) В, 50/60Гц
6: 3~690 (660) В, 50/60Гц
7. Встроенный тормозной модуль
8. Встроенный дроссель постоянного тока
9. Платы расширения (является опцией для преобразователей частоты серии FCI и LCI)
10. Дополнительное защитное покрытие плат лаком
11. Защитное покрытие плат компаундом
12. IP54
13. Пожарный режим
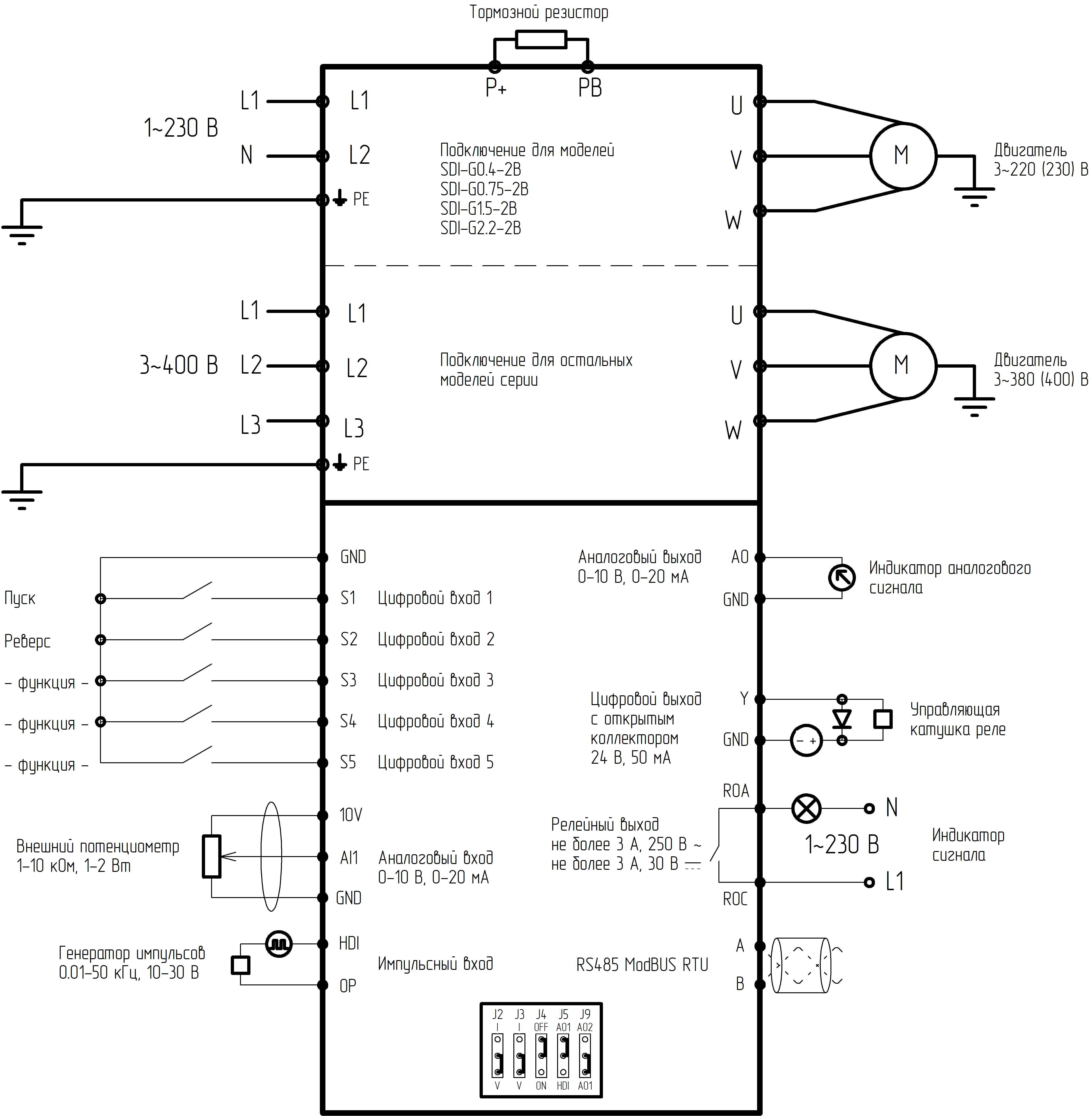
Схема подключения

Массогабаритные характеристики
| Типоразмер | Модель | Вес (нетто), кг | Габаритные размеры, мм | Тип корпуса | Способ монтажа |
| Ш | В | Г | d |
| 1 | SDI-G0.4-2B | 0.86 | 82 | 145 | 125 | 4 | Пластмассовый | Настенный |
| SDI-G0.75-2B |
| SDI-G1.5-2B |
| SDI-G0.75-4B |
| SDI-G1.5-4B |
| SDI-G2.2-4B |
| 2 | SDI-G2.2-2B | 1.68 | 110 | 190 | 152 | 5 |
| SDI-G4.0-4B |

Артикул: 00030100
Доставка
Торговый дом "Промышленная вентиляция" осуществляет доставку продукции специальным транспортом, с удобной клиенту логистикой и способом в любой регион России. Оформление заказов и транспортировку определяют такие алгоритмы:
- для расчетов время следования груза от станции погрузки до места выгрузки закладывается до двух суток, но практически перевозка осуществляется быстрее, часто продукцию можно получить в течение этих же суток;
- при оформлении поставки наш менеджер звонит клиенту, с тем, чтобы оптимизировать доставку, для этого задаются следующие вопросы: фактический адрес, режим станции, контактное лицо, оптимальная дата для клиента, специальные условия на станции выгрузки (наличие пропуска, оформление доверенности и другие особенности);
- нашим клиентам доступен самовывоз на собственном транспорте.
Оплата
Торговый дом "Промышленная вентиляция" принимает оплату перечислением на расчетный счет по предварительно выставленному счету. Взаимодействие с клиентами осуществляется в такой последовательности:
- мы используем все варианты расчетов: оплата по факту отгрузки, 100% предоплата, отсрочка действующим клиентам на банковские или календарные дни;
- после проведения транша наш менеджер сообщает клиенту, что деньги поступили на р/с, озвучивает последующие действия по договору;
- для каждой отправляемой партии время устанавливается индивидуально, сроки определяются в спецификации.
Предоставляем услуги монтажа и установки высокоэффективных вентиляционных систем с дальнейшим сервисным обслуживанием. В работе мы используем только качественное оборудование известных производителей, имеем все необходимые лицензии и сертификаты качества.
Установка вентиляции производится согласно индивидуально разработанному проекту, который обязательно должен соответствовать санитарно-гигиеническим общепринятым стандартам.